Не работает обогрев зеркал Geely Emgrand X7 NL-4

Аватара пользователя
Makemake
Сообщения: 1
Стаж: 5 лет 7 месяцев
5
Авто: Geely emgrand x7
Город: г.Минск

Не работает обогрев зеркал Geely Emgrand X7 NL-4

#1

Непрочитанное сообщение Makemake »

 
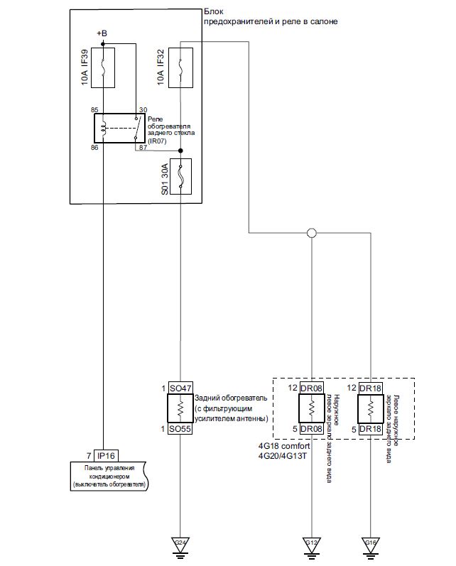
Здравствуйте, может кто подскажет раскладку по блоку предохранителей - не работает обогрев зеркал. Кнопка просто не включает этот режим и индикация соответственно не загорается.

Джили Эмгранд Х7 механика 2020. Полгода эксплуатации.
Аватара пользователя
Mr. Noise Mnk
Участник GEELY Club Belarus
Сообщения: 595
Стаж: 7 лет 9 месяцев
7
Авто: Geely
Город: Минск

Не работает обогрев зеркал Geely Emgrand X7 NL-4

#2

Непрочитанное сообщение Mr. Noise Mnk »

 
Makemake писал(а): 17 апр 2021, 21:03 раскладку по блоку предохранителей
Посмотрите блок предохранителей в салоне. Там есть предохранитель отвечающий за обогрев зеркала заднего вида:
IF32 Предохранитель обогревателя зеркал заднего вида 10А -

По ссылке ниже информация по всем предохранителям Emgrand X7 NL4:
Маркировка и расположение всех предохранителей Geely Emgrand X7 NL-4 2018-
СПИСОК >> Аксессуары, оборудование, запчасти >> OKAVANGO Monjaro TUGELLA Atlas PRO Emgrand X7 Coolray/X50 GS Emgrand NEW

10 советов покупателю и дилеру! Что нужно знать при покупке Geely Atlas (Geely Emrgand X7, Geely Emrgand 7)?
Аватара пользователя
Alexis53
GEELYвод
Сообщения: 132
Стаж: 5 лет 11 месяцев
5
Авто: LIVAN X6PRO Premium
Город: Великий Новгород

Не работает обогрев зеркал Geely Emgrand X7 NL-4

#3

Непрочитанное сообщение Alexis53 »

 
Makemake писал(а): 17 апр 2021, 21:03 не работает обогрев зеркал. Кнопка просто не включает этот режим и индикация соответственно не загораетс
Обогрев зеркал и заднего стекла одна кнопка. Если не нет индикации значит не работает и обогрев заднего стекла. Проверьте предохранитель IF39 10A. И щёлкает или нет реле IR07. Сссылка на картинку выше. Для понимания схема.
Обогрев зеркал.JPG
Аватара пользователя
Demon611
GEELYвод
Сообщения: 21
Стаж: 6 лет 11 месяцев
6
Авто: Emgrand x7 1.8
Город: Мстиславль

Не работает обогрев зеркал Geely Emgrand X7 NL-4

#4

Непрочитанное сообщение Demon611 »

 
Добрый вечер, а есть схема на подогрев сидений, не работает подогрев водительского сидения, индикация горит, реле щёлкает, менял местами реле с пассажирского сидения эффекта ноль и какие провода идут на обогрев в само сидение там три или четыре жгута проводов?
Аватара пользователя
Alexis53
GEELYвод
Сообщения: 132
Стаж: 5 лет 11 месяцев
5
Авто: LIVAN X6PRO Premium
Город: Великий Новгород

Не работает обогрев зеркал Geely Emgrand X7 NL-4

#5

Непрочитанное сообщение Alexis53 »

 
Demon611 писал(а): 19 апр 2021, 22:31 Добрый вечер, а есть схема на подогрев сидений, не работает подогрев водительского сидения, индикация горит, реле щёлкает, менял местами реле с пассажирского сидения эффекта ноль и какие провода идут на обогрев в само сидение там три или четыре жгута проводов?
Тут на форуме есть библиотека . там выложена книга по ремонту нашей машины. почти 3500 страниц. Есть почти всё.
Снимок.JPG
судя по всему это самый большой разъём.
20210217_195204.jpg
Аватара пользователя
igor-sn
GEELYвод
Сообщения: 31
Стаж: 6 лет 6 месяцев
6
Авто: Geeli
Город: Новороссийск

Не работает обогрев зеркал Geely Emgrand X7 NL-4

#6

Непрочитанное сообщение igor-sn »

 
Если с контакта номер 5 реле уходит + то скорее всего сгорела спираль в самом сидении.
Ответить

Вернуться в «Электрика и электрооборудование»