Всем привет.
Приключился такой трабл:
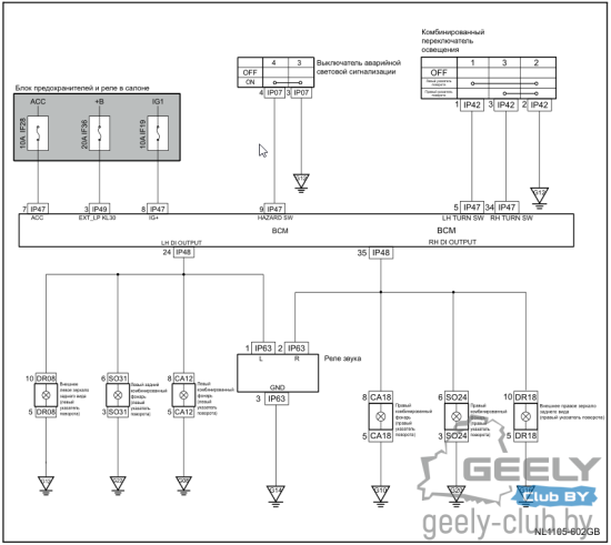
Обрубило левую сторону указателей поворотов, причем от слова "совсем"(, индикации на приборке тоже не показывает, пиктограмка левого поворота не работает, при включении аварийки работает только правая сторона.
В книге я не нашел расшифровки предохранителей или реле на повороты.
Куда лезть и что это может быть?
Указатели поворотов Geely Emgrand X7 NL-4. Пропал сигнал и индикация левой стороны
- Роман88 NL-4
- Сообщения: 1
- Стаж: 4 года 2 месяца
- 4
- Авто: Geely Emgrand X7 2.0
- Город: Жодино
Роман88 NL-4
Указатели поворотов Geely Emgrand X7 NL-4. Пропал сигнал и индикация левой стороны
Непрочитанное сообщение MastZ »
Судя по схеме - блок BCM или провод контакта (24) IP48. Из опыта по другим авто... смотрите колодку где-то в районе левой ноги, обычно под пластиковой накладкой. Скорее всего залило
MastZ
Вернуться в «Электрика и электрооборудование»
Перейти
- | ЧАТЫ @GCBY
- ↳ Чаты по эксплуатации автомобилей GEELY | BELGEE
- ↳ BELGEE X70 | GEELY Atlas PRO (NL-3B)
- ↳ BELGEE X50 | GEELY Coolray (SX11A#)
- ↳ BELGEE S50 | GEELY Emgrand NEW (SS11A#)
- ↳ ATLAS NEW (FX11)
- ↳ ATLAS (NL-3)
- ↳ COOLRAY (SX11A3)
- ↳ GS (FE-7)
- ↳ EMGRAND 7 (FE-3JC)
- ↳ EMGRAND X7 (NL-4)
- ↳ MONJARO (KX11)
- ↳ OKAVANGO (VX11)
- ↳ OKAVANGO (GB836)
- ↳ PREFACE (FS11)
- ↳ TUGELLA (FY11)
- ↳ E8 (E171)
- ↳ EX5 (E245)
- ↳ GEOMETRY A | C (GE11 | GE13)
- | GCBY В СОЦИАЛЬНЫХ СЕТЯХ
- ↳ GEELY Club Belarus @Telegram
- ↳ GEELY CLUB Belarus @Instagram
- ↳ GEELY CLUB Belarus @VK
- ↳ GEELY CLUB Belarus @Youtube
- | GMCUSTOM
- ↳ Бот обратной связи GMCustom
- ↳ Блог разработчиков
- ↳ GEELY Monjaro
- ↳ GEELY Tugella
- ↳ GEELY Tugella Restyling 1
- ↳ GEELY Tugella WhiteRestyling
- ↳ GEELY Atlas PRO
- ↳ GEELY Coolray/BELGEE X50
- ↳ GEELY Coolray REST
- ↳ GEELY Atlas
- ↳ GEELY Preface
- ↳ GEELY Okavango L
- ↳ Найти представителя Geely Mod Custom
- | GEELY CLUB BELARUS
- ↳ Клубный телеграм-бот обратной связи
- ↳ Отзывы о работе дилерских центров Республики Беларусь
- ↳ Вопросы к Дилеру
- ↳ ООО "Мотор Автоград"
- ↳ ООО «Атлант-М Технологии»
- ↳ ООО “Лакшери Моторс Плюс”
- ↳ ООО «РЕДМОТОРС»
- ↳ ООО «БелАВТОномия»
- ↳ ООО "Альфорт"
- ↳ ООО "АВТОНОВА"
- ↳ ООО «ДжиМоторс»
- ↳ ООО "Белавтоспецгрупп-М"
- ↳ ООО «Могилевмоторс»
- ↳ Советы бывалых
- ↳ Юридические вопросы и ответы
- ↳ Новости GEELY
- ↳ Предложения по организации работы сайта
- | ДРУЗЬЯ GEELY CLUB BELARUS
- ↳ GEELY Club Россия
- ↳ GEELY CLUB
- ↳ китайские-автомобили.рф
- ↳ GEELY-ATLAS.INFO
- | BELGEE КАТАЛОГ
- ↳ X70 | GEELY ATLAS PRO (NL-3B)
- ↳ Новости
- ↳ Техническое обслуживание (ТО)
- ↳ Двигатель и топливная система
- ↳ Система охлаждения
- ↳ Трансмиссия
- ↳ Подвеска, рулевое, тормоза
- ↳ Шины и диски
- ↳ Кузов и салон
- ↳ Электрика и электрооборудование
- ↳ Свет и оптика
- ↳ Дополнительные аксессуары
- ↳ X50 | GEELY COOLRAY (SX11)
- ↳ Техническое обслуживание (ТО) Geely Coolray SX-11
- ↳ Двигатель и топливная система
- ↳ Система охлаждения
- ↳ Трансмиссия
- ↳ Подвеска, рулевое, тормоза
- ↳ Шины и диски
- ↳ Кузов и салон
- ↳ Электрика и электрооборудование
- ↳ Свет и оптика
- ↳ Дополнительные аксессуары
- ↳ Отзывы
- ↳ BELGEE S50 | EMGRAND NEW (SS11)
- | GEELY КАТАЛОГ
- ↳ MONJARO (KX11)
- ↳ Новости
- ↳ Двигатель и топливная система
- ↳ Система охлаждения
- ↳ Трансмиссия
- ↳ Подвеска, рулевое, тормоза
- ↳ Шины и диски
- ↳ Кузов и салон
- ↳ Электрика и электрооборудование
- ↳ Свет и оптика
- ↳ Дополнительные аксессуары
- ↳ ATLAS (FX11)
- ↳ Двигатель и топливная система
- ↳ Система охлаждения
- ↳ Трансмиссия
- ↳ Подвеска, рулевое, тормоза
- ↳ Шины и диски
- ↳ Кузов и салон
- ↳ Электрика и электрооборудование
- ↳ Свет и оптика
- ↳ Дополнительные аксессуары
- ↳ OKAVANGO (G836)
- ↳ Техническое обслуживание (ТО)
- ↳ Двигатель и топливная система
- ↳ Система охлаждения
- ↳ Трансмиссия
- ↳ Подвеска, рулевое, тормоза
- ↳ Шины и диски
- ↳ Кузов и салон
- ↳ Электрика и электрооборудование
- ↳ Свет и оптика
- ↳ Дополнительные аксессуары
- ↳ COOLRAY (SX11A3)
- ↳ Техническое обслуживание (ТО)
- ↳ Двигатель и топливная система
- ↳ Система охлаждения
- ↳ Трансмиссия
- ↳ Подвеска, рулевое, тормоза
- ↳ Шины и диски
- ↳ Кузов и салон
- ↳ Электрика и электрооборудование
- ↳ Свет и оптика
- ↳ Дополнительные аксессуары
- ↳ Отзывы
- ↳ PREFACE (FS11)
- ↳ Новости
- | GEELY EV
- ↳ E8 (E171)
- ↳ Новости
- ↳ Техническое обслуживание (ТО)
- ↳ Двигатель
- ↳ Подвеска, рулевое, тормоза
- ↳ Шины и диски
- ↳ Кузов и салон
- ↳ Электрика и электрооборудование
- ↳ Свет и оптика
- ↳ Дополнительные аксессуары
- ↳ Отзывы
- ↳ EX5 (E245)
- ↳ Новости
- ↳ Техническое обслуживание (ТО) GEELY EX5
- ↳ Двигатель
- ↳ Шины и диски
- ↳ Кузов и салон
- ↳ Электрика и электрооборудование
- ↳ Свет и оптика
- ↳ Дополнительные аксессуары
- ↳ Отзывы
- ↳ GEELY EX2 (E22H)
- ↳ GEOMETRY C (GE13)
- ↳ Новости
- ↳ Техническое обслуживание (ТО) Geely Geometry C
- ↳ Двигатель
- ↳ Трансмиссия
- ↳ Подвеска, рулевое, тормоза
- ↳ Шины и диски
- ↳ Кузов и салон
- ↳ Электрика и электрооборудование
- ↳ Свет и оптика
- ↳ Дополнительные аксессуары
- ↳ Отзывы
- | OLD GEELY
- ↳ ATLAS (NL-3)
- ↳ Техническое обслуживание (ТО) Geely Atlas NL 3
- ↳ Расходники Geely Atlas NL3 2018 (Джили Атлас)
- ↳ Оригинальные артикулы из каталога GEELY
- ↳ Двигатель и топливная система
- ↳ Система охлаждения
- ↳ Трансмиссия
- ↳ Подвеска, рулевое, тормоза
- ↳ Шины и диски
- ↳ Кузов и салон
- ↳ Электрика и электрооборудование
- ↳ Доработки мультимедиа
- ↳ Свет и оптика
- ↳ Дополнительные аксессуары
- ↳ Отзывы
- ↳ EMGRAND X7 (NL-4)
- ↳ Техническое обслуживание (ТО) Geely Emgrand X7 (NL-4)
- ↳ Оригинальные артикулы из каталога GEELY
- ↳ Двигатель и топливная система
- ↳ Трансмиссия
- ↳ Система охлаждения
- ↳ Подвеска, рулевое, тормоза
- ↳ Шины и диски
- ↳ Кузов и салон
- ↳ Электрика и электрооборудование
- ↳ Доработки мультимедиа
- ↳ Свет и оптика
- ↳ Дополнительные аксессуары
- ↳ Отзывы
- ↳ EMGRAND 7 (FE-3JC)
- ↳ Техническое обслуживание (ТО) Geely Emgrand 7 (FE-3)
- ↳ Оригинальные артикулы из каталога GEELY
- ↳ Двигатель и топливная система
- ↳ Трансмиссия
- ↳ Система охлаждения
- ↳ Подвеска, рулевое, тормоза
- ↳ Кузов и салон
- ↳ Электрика и электрооборудование
- ↳ Свет и оптика
- ↳ Шины и диски
- ↳ Дополнительные аксессуары
- ↳ Отзывы
- ↳ TUGELLA (FY11)
- ↳ Новости
- ↳ Техническое обслуживание (ТО) Geely Tugella (FY11)
- ↳ Двигатель и топливная система
- ↳ Система охлаждения
- ↳ Трансмиссия
- ↳ Подвеска, рулевое, тормоза
- ↳ Шины и диски
- ↳ Кузов и салон
- ↳ Электрика и электрооборудование
- ↳ Свет и оптика
- ↳ Дополнительные аксессуары
- ↳ GS (FE-7)
- ↳ Новости
- ↳ Техническое обслуживание (ТО) Geely GS
- ↳ Двигатель и топливная система
- ↳ Система охлаждения
- ↳ Трансмиссия
- ↳ Подвеска, рулевое, тормоза
- ↳ Шины и диски
- ↳ Кузов и салон
- ↳ Электрика и электрооборудование
- ↳ Свет и оптика
- ↳ Дополнительные аксессуары
- ↳ GE (KC-2)
- ↳ Новости
- ↳ Двигатель и топливная система
- ↳ Система охлаждения
- ↳ Трансмиссия
- ↳ Подвеска, рулевое, тормоза
- ↳ Шины и диски
- ↳ Кузов и салон
- ↳ Электрика и электрооборудование
- ↳ Свет и оптика
- ↳ Дополнительные аксессуары
- ↳ OKAVANGO (VX11)
- ↳ Двигатель и топливная система
- ↳ Система охлаждения
- ↳ Трансмиссия
- ↳ Подвеска, рулевое, тормоза
- ↳ Шины и диски
- ↳ Кузов и салон
- ↳ Электрика и электрооборудование
- ↳ Свет и оптика
- ↳ Дополнительные аксессуары
- | ДРУГИЕ МОДЕЛИ GEELY
- ↳ Модели снятые с производства
- ↳ GEELY Emgrand X7 (NL-1)
- ↳ GEELY Emgrand GT
- ↳ GEELY LC Cross (GX2)
- ↳ Двигатель и топливная система
- ↳ Трансмиссия
- ↳ Система охлаждения
- ↳ Подвеска, рулевое, тормоза
- ↳ Кузов и салон
- ↳ Электрика и электрооборудование
- ↳ Дополнительные аксессуары
- ↳ Отзывы
- ↳ GEELY SC7
- ↳ GEELY MK
- ↳ GEELY MK Cross
- ↳ GEELY CK
- | ОБЩАЯ ТЕХНИЧЕСКАЯ ИНФОРМАЦИЯ
- ↳ Книги, инструкции, руководства, полезные материалы
- ↳ Документация по GEELY Atlas (NL-3)
- ↳ Документация по GEELY Atlas PRO (NL-3B) / BELGEE X70
- ↳ Документация по GEELY Atlas NEW (FX11)
- ↳ Документация по GEELY Coolray NEW (SX11) Restyling
- ↳ Документация по GEELY Coolray (SX11) / BELGEE X50
- ↳ Документация по GEELY Emgrand 7 (FE-3JC)
- ↳ Документация по GEELY Emgrand NEW (SS11) / BELGEE S50
- ↳ Документация по GEELY Emgrand X7 (NL-4)
- ↳ Документация по GEELY Galaxy E8
- ↳ Документация по GEELY Monjaro (KX11)
- ↳ Документация по GEELY Okavango (VX11)
- ↳ Документация по GEELY Tugella (FY11)
- ↳ FAQ, инструкции, отчеты, фотоотчеты
- ↳ Бортжурналы
- ↳ Двигатели внутреннего сгорания (JLD-4G20, JLD-4G24, JLE-4G18TD, JLC-4G15, JLC-4G18)
- ↳ Чип-тюнинг
- ↳ Коробки передач
- ↳ Эксплуатационные недостатки
- ↳ Гарантийные случаи
- | БАРАХОЛКА
- ↳ Барахолка в Tеlegram
- ↳ КитайПром в помощь!
- ↳ Продажа
- ↳ Шины/диски
- ↳ Запчасти/Расходники
- ↳ Аксессуары
- ↳ Разное
- ↳ Покупка
- ↳ Шины/диски
- ↳ Запчасти/Расходники
- ↳ Аксессуары
- ↳ Разное
- ↳ Обмен
- ↳ Услуги
- ↳ GEELY Club BY @Брест
- ↳ GEELY Club BY @Борисов
- ↳ GEELY Club BY @Витебск
- ↳ GEELY Club BY @Гомель
- ↳ GEELY Club BY @Гродно
- ↳ GEELY Club BY @Лида
- ↳ GEELY Club BY @Могилев
- ↳ GEELY Club BY @Солигорск
- ↳ | ДИЛЕРЫ GEELY
- ↳ Официальные дилеры Geely в Республике Беларусь
- ↳ ООО «Мотор АвтоГрад» МИНСК
- ↳ ООО «Автоцентр «Атлант-М Боровая» МИНСК
- ↳ ООО “Лакшери Моторс Плюс” МИНСК
- ↳ Прохождение ТО
- ↳ ОАО «Автоторгсервис» МИНСК
- ↳ БелАВТОномия БРЕСТ ПИНСК БАРАНОВИЧИ КОБРИН
- ↳ ООО "ДжиМоторс" ВИТЕБСК НОВОПОЛОЦК
- ↳ ООО "Альфорт" ГРОДНО
- ↳ ООО "Автонова" ГОМЕЛЬ
- ↳ ООО "Белавтоспецгрупп-М" СОЛИГОРСК
- ↳ ООО "Могилевмоторс" МОГИЛЕВ
- ↳ ООО "АсмартСервис" БОБРУЙСК
- ↳ Региональные чаты GEELY Club Belarus
- ↳ @GCBY #БРЕСТ
- ↳ @GCBY #ВИТЕБСК
- ↳ @GCBY #ГОМЕЛЬ
- ↳ @GCBY #ГРОДНО
- ↳ @GCBY #МИНСК
- ↳ @GCBY #МОГИЛЕВ
- ↳ @GCBY #ОРША
- ↳ @GCBY #ПОЛОЦК-НОВОПОЛОЦК
- ↳ | ЖИЗНЬ КЛУБА
- ↳ GEELY Club Bеlarus #NEWS
- ↳ Вступление в GEELY Club Belarus
- ↳ Встречи и мероприятия клуба
- ↳ Клубная атрибутика
- ↳ Путешествие с GEELY
- ↳ Клубный OFFTOP
- ↳ GEELY CLUB Belarus @Facebook
- ↳ | ПАРТНЕРЫ КЛУБА
- ↳ Партнеры Клуба
- ↳ Автозапчасти
- ↳ г. Минск
- ↳ г.Брест
- ↳ г. Витебск
- ↳ г. Гродно
- ↳ г. Гомель
- ↳ г. Могилев
- ↳ Автокосметика/Защита кузова
- ↳ г. Минск
- ↳ г.Брест
- ↳ г. Витебск
- ↳ г. Гродно
- ↳ г. Гомель
- ↳ г. Могилев
- ↳ Дополнительные аксессуары
- ↳ г. Минск
- ↳ г. Брест
- ↳ г. Витебск
- ↳ г. Гродно
- ↳ г. Гомель
- ↳ г. Могилев
- ↳ Отдых и развлечения
- ↳ г. Минск
- ↳ г. Брест
- ↳ г. Витебск
- ↳ г. Гродно
- ↳ г. Гомель
- ↳ г. Могилев
- ↳ Расходные материалы
- ↳ г. Минск
- ↳ г. Брест
- ↳ г. Витебск
- ↳ г. Гродно
- ↳ г. Гомель
- ↳ г. Могилев
- ↳ Услуги
- ↳ г. Минск
- ↳ г. Брест
- ↳ г. Витебск
- ↳ г. Гродно
- ↳ г. Гомель
- ↳ г. Могилев
- ↳ Обзоры прошивок
- ↳ Прошивка мультимедиа GEELY Atlas PRO NL-3B / TUGELLA FY11
- ↳ Прошивка мультимедиа для GEELY Coolray SX11
- ↳ Прошивка мультимедиа для GEELY Atlas NL-3