Дворники Geely Emgrand X7 NL-4. Меняем интервал взмаха щетки стеклоочистителя (Новый режим работы)

Аватара пользователя
sergiv99
GEELYвод
Сообщения: 12
Стаж: 5 лет 10 месяцев
5
Авто: geely emgrand x7
Город: smolensk

Дворники Geely Emgrand X7 NL-4. Меняем интервал взмаха щетки стеклоочистителя (Новый режим работы)

#1

Непрочитанное сообщение sergiv99 »

 
Всем привет.
Есть идеи как подправить работу поводков дворников перед и зад в Emgrand Х7 (nl-4)?

Ну бесит их работа, особенно заднего с его постоянным режимом :evil:
Аватара пользователя
Vladimir25
GEELYвод
Сообщения: 25
Стаж: 7 лет 1 месяц
7
Авто: Geely Emgrand X7 NL-4
Город: Борисов

Режимы работы дворников Geely Emgrand X7 NL-4

#2

Непрочитанное сообщение Vladimir25 »

 
Вариантов куча ;) регулятор работы стеклоочистителя

Тут поближе
тоже интересно а вообще нужно заняться ,тоже надоедает :)
Последний раз редактировалось Vladimir25 03 дек 2020, 21:23, всего редактировалось 2 раза.
Аватара пользователя
sergiv99
GEELYвод
Сообщения: 12
Стаж: 5 лет 10 месяцев
5
Авто: geely emgrand x7
Город: smolensk

Режимы работы дворников Geely Emgrand X7 NL-4

#3

Непрочитанное сообщение sergiv99 »

 
оч смешно. собрать схемку и куда ее лепить?
второй пост читал тоже. надо влезать в электрику (

на наших, было помню, заменил релюшку вместо штатных и программируй как хочешь :D
Последний раз редактировалось sergiv99 03 дек 2020, 21:24, всего редактировалось 1 раз.
Аватара пользователя
Vladimir25
GEELYвод
Сообщения: 25
Стаж: 7 лет 1 месяц
7
Авто: Geely Emgrand X7 NL-4
Город: Борисов

Режимы работы дворников Geely Emgrand X7 NL-4

#4

Непрочитанное сообщение Vladimir25 »

 
sergiv99, нужно заняться
Аватара пользователя
sergiv99
GEELYвод
Сообщения: 12
Стаж: 5 лет 10 месяцев
5
Авто: geely emgrand x7
Город: smolensk

Режимы работы дворников Geely Emgrand X7 NL-4

#5

Непрочитанное сообщение sergiv99 »

 
вот, эту Реле 54.3777 я и ставил раньше на Ладу )) норм все работало.
Аватара пользователя
tas89
GEELYвод
Сообщения: 32
Стаж: 6 лет 5 месяцев
6
Авто: EmgrandX7
Город: Минск

Режимы работы дворников Geely Emgrand X7 NL-4

#6

Непрочитанное сообщение tas89 »

 
Реле от Лады это решение. Возможно даже подойдёт на место штатного, вот только непонятно куда спрятали штатное реле. В электросхемах на предыдущее поколение не указано где оно стоит. По ссылке от Vladimir25 похоже, что его просто вставили вразрез проводов от подрулевого переключателя... :?
Аватара пользователя
Alexis53
GEELYвод
Сообщения: 132
Стаж: 5 лет 11 месяцев
5
Авто: LIVAN X6PRO Premium
Город: Великий Новгород

Режимы работы дворников Geely Emgrand X7 NL-4

#7

Непрочитанное сообщение Alexis53 »

 
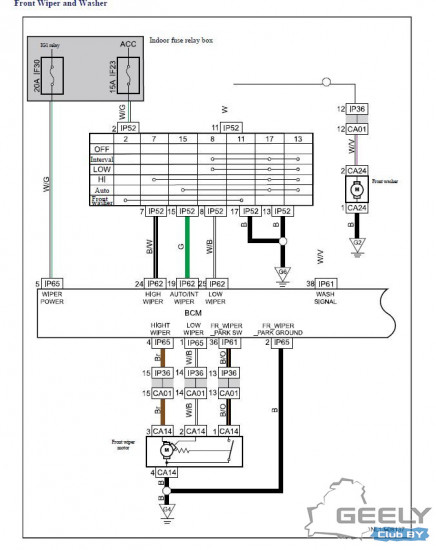
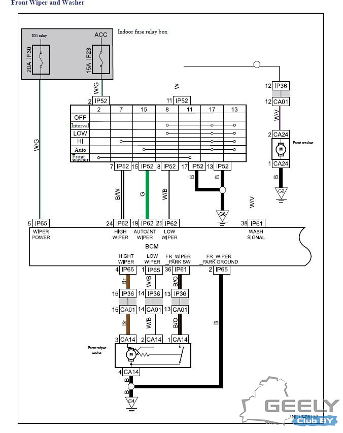
На предыдущей NL1 в схеме передних дворников никаких реле нет. Режим паузы задаётся блоком BSM . Прямого управления нет.
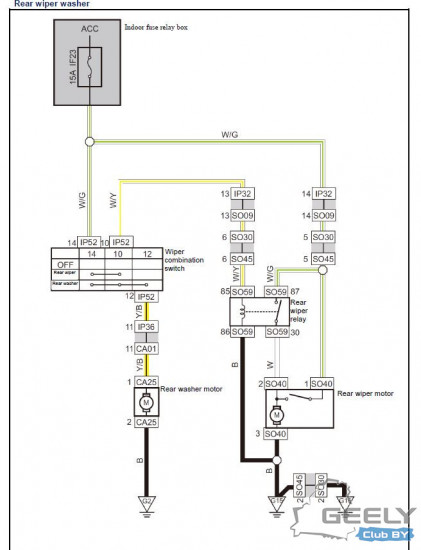
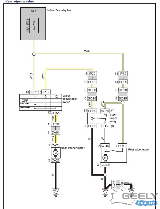
Задний дворник работает через обычное четырёх контактное реле. Там гуляй не хочу. В аннотации к схеме указано реле заднего мотора стеклоочистителя находится рядом с мотором в задней двери. В принципе если менять схему управления задним дворником разумнее цепью управления от под рулевого переключателя. Новой схемы на NL4 к сожалению не найти.
Аватара пользователя
Alexis53
GEELYвод
Сообщения: 132
Стаж: 5 лет 11 месяцев
5
Авто: LIVAN X6PRO Premium
Город: Великий Новгород

Режимы работы дворников Geely Emgrand X7 NL-4

#8

Непрочитанное сообщение Alexis53 »

 
Схемы от Emgrand X7 NL1 прикладываю. Cамому интересно реализовать регулируемую паузу на передние дворники.
Вложения
Снимок 1.JPG
Снимок2.JPG
Аватара пользователя
tas89
GEELYвод
Сообщения: 32
Стаж: 6 лет 5 месяцев
6
Авто: EmgrandX7
Город: Минск

Режимы работы дворников Geely Emgrand X7 NL-4

#9

Непрочитанное сообщение tas89 »

 
В блоке предохранителей салона нашел методом тыка - Реле заднего дворника

IMG_20201205_125916.jpg
Аватара пользователя
sergiv99
GEELYвод
Сообщения: 12
Стаж: 5 лет 10 месяцев
5
Авто: geely emgrand x7
Город: smolensk

Режимы работы дворников Geely Emgrand X7 NL-4

#10

Непрочитанное сообщение sergiv99 »

 
Задний же тоже бесит. Кто шарит в электрике, может есть аналог реле заднего дворника? У нас там один режим (льющий воду без взмаха) вообще не нужный, туда бы сделать прерывистый режим
Аватара пользователя
tas89
GEELYвод
Сообщения: 32
Стаж: 6 лет 5 месяцев
6
Авто: EmgrandX7
Город: Минск

Режимы работы дворников Geely Emgrand X7 NL-4

#11

Непрочитанное сообщение tas89 »

 
У меня на предыдущем автомобиле задний дворник работал только в прерывистом режиме с интервалом 5 сек. Этого мне было более чем достаточно. К сожалению готовых решений по принципу замены реле нет. Остаётся только сделать модернизированное реле. Места там не много, но руки чешутся.... Если что, то маркировка родного реле HFV6/012H-TR.
Аватара пользователя
tas89
GEELYвод
Сообщения: 32
Стаж: 6 лет 5 месяцев
6
Авто: EmgrandX7
Город: Минск

Режимы работы дворников Geely Emgrand X7 NL-4. Изменение интервала взмаха стеклоочистителя

#12

Непрочитанное сообщение tas89 »

 
Воодушевившись вот этой статьей https://m.qrz.ru/schemes/contribute/aut ... itela.html решил заморочиться и сделать собственное реле. Нашел вот такой аналог родного реле и снял с него крышку
IMG_20201217_183231_1.jpg
IMG_20201217_184141.jpg
Снимаем размеры. Места очень мало, поэтому решено всё делать на smd компонентах.
IMG_20201218_231459_1.jpg
Немного повозился с разводкой и травлением. В процессе решил чуть переделать схему из статьи и добавить диодный мост на входе колодки реле, чтобы не заморачиваться с полярностью. Результат - две крохотные платы 21x14 и 16х14мм.
IMG_20201218_231511.jpg
Далее сборка и первое включение...
IMG_20201218_231018.jpg
Всё заработало, единственное подобрал резисторами время работы и паузы. На очереди новая крышка и ходовые испытания..... ;)


Аватара пользователя
tas89
GEELYвод
Сообщения: 32
Стаж: 6 лет 5 месяцев
6
Авто: EmgrandX7
Город: Минск

Режимы работы дворников Geely Emgrand X7 NL-4

#13

Непрочитанное сообщение tas89 »

 
Напечатал новую крышку.
IMG_20201219_161434.jpg
Всё чётко встало на свое место.
IMG_20201219_161556.jpg
По итогу задний дворник делает два взмаха каждые 20 сек.
Аватара пользователя
sergiv99
GEELYвод
Сообщения: 12
Стаж: 5 лет 10 месяцев
5
Авто: geely emgrand x7
Город: smolensk

Режимы работы дворников Geely Emgrand X7 NL-4

#14

Непрочитанное сообщение sergiv99 »

 
предлагаю наладить производство :)
Ответить

Вернуться в «Электрика и электрооборудование»